
型 号 Type |
|
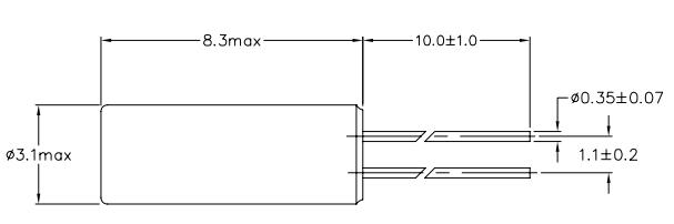
2*6 |
频率范围 Frequency Range |
Fo |
32.768KHZ |
调整频差 Frequency Tolerance |
Δf/fo |
±10PPM |
负载电容 Load Capacitance |
CL |
12.5PF |
等效电阻 Series Resitance |
R1 |
≤35KΩ |
激励电平 Drive Level |
DL |
1.0 µ W max |
静态电容 Shunt Capacitance |
Co |
1.8PF MAX |
工作温度范围 Operating Tenperature Range |
TOPR |
-20℃~+70℃ |
保存温度范围 Storage Tenperature Range |
TSTG |
-20℃~+70℃ |
绝缘电阻 Insulation Resistance |
IR |
500M ohm in/DC 100V |
年老化率 Aging Rate a Year |
fa |
±3ppm |
晶振尺寸
