粤博电子
表晶3x8 32.768KHZ
上一个:表晶3x8 32.768KHZ 下一个:柱晶3x8
详情介绍
​石英晶体振荡器主要分为插件晶振和贴片晶振,插件主要有49S 49U、2*6、3*8、3*9等,插件晶振32.768KHZ主要是用在时钟,仪器仪表,工控仪表等。
晶振详细参数

型     号 Type

 

2*6

频率范围  Frequency Range

Fo

32.768KHZ

调整频差  Frequency Tolerance

Δf/fo

±10PPM

负载电容  Load Capacitance

CL

12.5PF

等效电阻  Series Resitance

R1

≤35KΩ

激励电平  Drive Level

DL

1.0 µ W max

静态电容  Shunt Capacitance

Co

1.8PF  MAX

工作温度范围  Operating Tenperature Range

TOPR

-20~+70

保存温度范围  Storage Tenperature Range

TSTG

-20~+70

绝缘电阻  Insulation Resistance

IR

500M ohm in/DC 100V

年老化率  Aging Rate a Year

fa

±3ppm

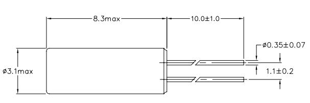
晶振尺寸

东莞市粤博电子有限公司 版权所有
技术支持:东莞网站建设​